全国销售热线:
公司简介
鼓型齿式羞羞视频在线观看入口
万向羞羞视频在线观看入口
膜片羞羞视频在线观看入口
弹性羞羞视频在线观看入口
卷筒羞羞视频在线观看入口
梅花羞羞视频在线观看入口
滚子链羞羞视频在线观看入口
星形弹性羞羞视频在线观看入口
滑块羞羞视频在线观看入口
蛇形弹簧羞羞视频在线观看入口
凸缘羞羞视频在线观看入口
夹壳羞羞视频在线观看入口
MAL型摩擦式安全羞羞视频在线观看入口
轮胎式羞羞视频在线观看入口
企业动态
行业资讯
联系羞羞动漫视频
在线留言
羞羞动漫视频重工科技(镇江)有限公司
公司地址:镇江市丹徒区高资街道羞羞动漫视频迎宾大道1号
联系电话:15896353995
公司邮箱:sales@cnzyzg.cn
DMB型键连接单型弹性膜片羞羞视频在线观看入口
DMA型单型弹性膜片羞羞视频在线观看入口
SM型键连接双型弹性膜片羞羞视频在线观看入口
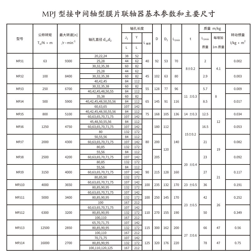
MP型膜片羞羞视频在线观看入口
联系电话:0511-85723800
联系手机:15896353995
微信咨询
15896353995
上班时间
周一到周六
公司电话
0511-85723900